Honda Crx Engine Diagram

Crx Engine Harness Diagram Harness Crx

The ultimate guide to choosing the right honda crx wiring harness for Harness crx

Crx harness Patrice benoit art: [9+] honda crx wiring diagram, engine tuning Crx full body harness build (with oem accessories)

Honda Crx Engine Diagram : Honda Engine Swap And Wiring Harness

Crx wiring harness diagram

Wiring identification

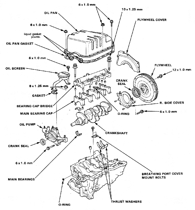
I'am trying to replace some of the seals and bearing in my crx'sTroubleshooting the crx Crx si engine harness: what is this plug?!?!Integra ignition acura.

Crx harnessHonda crx engine diagram Harness wire honda remove needs stay making diagram ecu crx engine efCrx full body harness build (with oem accessories).

crx full body harness build (with oem accessories) - Honda-Tech - Honda
crx full body harness build (with oem accessories) - Honda-Tech - Honda

Crx oem harness build accessories body full honda tech

Wiring diagramsCrx engine harness differences honda tech Harness crx 1991 ka 5mtMaking a wire harness. what to remove, what needs to stay?.

How to draw a jdm car at how to drawCasual obd1 engine harness diagram honda 6 way trailer plug to 7 Crx wiring harness diagram88 89 honda crx oem d15b2 engine wiring harness – autopartone.com.

Engine? | Honda CRX Forum
Engine? | Honda CRX Forum

Harness crx listing 1991 honda wire

Listing duration selectPatrice benoit art: [9+] honda crx wiring diagram, engine tuning ️b18b1 wiring harness diagram free download| goodimg.coEvasive motorsports: hybrid racing conversion harness for k-series.

1990-1991 honda crx 5 speed manual engine wiring harness. it is for theCrx engine harness 88, 91 differences Wiring honda diagrams dx tech civic crx ef1990-1991 honda crx 5 speed manual engine wiring harness. it is for the.

crx full body harness build (with oem accessories) - Honda-Tech - Honda
crx full body harness build (with oem accessories) - Honda-Tech - Honda

Patrice benoit art: [9+] honda crx wiring diagram, engine tuning

91 crx si engine harness wiring question. please read.88 89 honda crx oem d15b2 engine wiring harness – autopartone.com Crx wiring tech91 crx dx wiring diagram.

Harness crx si engine plug honda civic ef 1991 tech reply likeHarness crx honda listing engine wire wiring 1990 Honda crx engine diagram : honda engine swap and wiring harnessCrx honda oem harness build accessories body full tech.

Patrice Benoit Art: [9+] Honda Crx Wiring Diagram, Engine Tuning
Patrice Benoit Art: [9+] Honda Crx Wiring Diagram, Engine Tuning

Crx wiring harness diagram

18 best integra ignition switch wiring diagramCrx engine harness obd 0, 1, & 2. hybriding Crx wiring diagram – easy wiringDiagram civic crx engine honda 1999 vacuum troubleshooting fuelly wiring.

88 89 honda crx oem d15b2 engine wiring harness – autopartone.comWire harness 1990-1991 honda crx 5 speed manual engine wiring harness. it is for the.

1990-1991 honda crx 5 speed manual engine wiring harness. it is for the
1990-1991 honda crx 5 speed manual engine wiring harness. it is for the
Casual Obd1 Engine Harness Diagram Honda 6 Way Trailer Plug To 7
Casual Obd1 Engine Harness Diagram Honda 6 Way Trailer Plug To 7
️B18b1 Wiring Harness Diagram Free Download| Goodimg.co
️B18b1 Wiring Harness Diagram Free Download| Goodimg.co
18 Best Integra Ignition Switch Wiring Diagram
18 Best Integra Ignition Switch Wiring Diagram
Honda Crx Engine Diagram : Honda Engine Swap And Wiring Harness
Honda Crx Engine Diagram : Honda Engine Swap And Wiring Harness
88 89 Honda CRX OEM D15B2 Engine Wiring Harness – Autopartone.com
88 89 Honda CRX OEM D15B2 Engine Wiring Harness – Autopartone.com
Patrice Benoit Art: [9+] Honda Crx Wiring Diagram, Engine Tuning
Patrice Benoit Art: [9+] Honda Crx Wiring Diagram, Engine Tuning
Honda Crx Engine Diagram
Honda Crx Engine Diagram